Время работы:
пн-пт: 9.00 до 18.00
Сызрань
Артикул BP-6-13-5
Доставка по Москве в пределах МКАД: мелкогабаритный груз от 1 000 руб., крупногабаритный груз от 2 500 руб.,
Полный цикл работ: подберем, спроектируем и установим оборудование
Нашли дешевле? Звоните, договоримся!
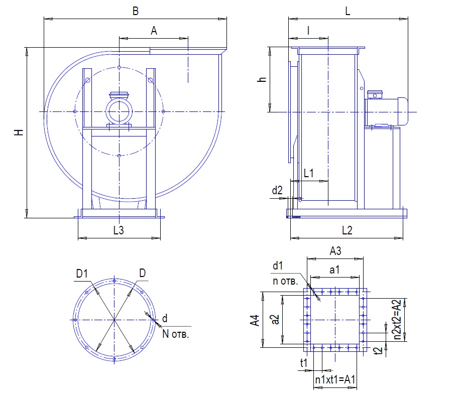
Заявки принимаются с реквизитами через почтуВентиляторы BP 6-13 №5 предназначены для перемещения воздуха и других газовых смесей,агрессивность которых по отношению к углеродистым сталям, обыкновенногокачества, не выше агрессивности воздуха с температурой до + 80°С, несодержащих пыли и других твердых примесей в количестве более 100 мг/м3,а также липких веществ и волокнистых материалов в условиях климата У 2по ГОСТ 15150-69.
Вентиляторы BP 6-13 №5 применяются для подачи воздуха в стационарные системы вентиляции и кондиционирования, а так же для других производственных и санитарно-технических целей.


![]() |
![]() |
| № | А | А1 | В | Emax | Нmax | Lmax |
| ВР 6-13 - 4 | 240 | 400 | 615 | 127 | 635 | 500 |
| ВР 6-13 - 5 | 300 | 500 | 760 | 152 | 825 | 600 |
| ВР 6-13 - 6,3 | 378 | 600 | 950 | 188 | 1020 | 800 |
| ВР 6-13 - 8 | 480 | 800 | 1210 | 223 | 1265 | 850 |
| ВР 6-13 - 10 | 600 | 1000 | 1755 | 230 | 1800 | 1100 |
| № | Исп | В1 | В2 | В3 | В4 | D | D1 | Nшт./Шd1 | Nшт/Шd |
| ВР 6-13 - 4 | 1 | 90 | 120 | 110 | 80 | 230 | 82 | 4/Ш19 | 8/Ш9 |
| ВР 6-13 - 5 | 1 | 110 | 150 | 136 | 100 | 286 | 102 | 6/Ш11 | 10/Ш11 |
| ВР 6-13 - 6,3 | 1 | 140 | 190 | 172 | 122 | 360 | 129 | 6/Ш11 | 12/Ш11 |
| ВР 6-13 - 8 | 1 | 180 | 240 | 220 | 155 | 460 | 164 | 8/Ш13 | 14/Ш11 |
| ВР 6-13 - 10 | 1 | 225 | 300 | 275 | 194 | 570 | 205 | 10/Ш13 | 16/Ш13 |
Применение и классификация вентиляторов ВР 6-13
(Общепромышленное, коррозионностойкое, взрывозащищенное )